product

Building an IT-based Gas Monitoring System Utilizing Core Gas Detector Technology

CONTROLLER FOR GAS DETECTOR

Home  >  Products  >  CONTROLLER FOR GAS DETECTOR

CONTROLLER FOR GAS DETECTOR

차량정보 표
Model No. MULTI CHANNEL CONTROLLER SHT-970MU.DU(S) Rack Type
Category CONTROLLER FOR GAS DETECTOR

Description

Description
  • MULTI CHANNEL UNIT MONITOR
  • MODEL: SHT-970MU.DU
Features
  • Compact design.
  • From a single channel to multi-channel design.
  • Designed with an SMPS channel for universal voltage and frequency use, both domestically and internationally.
  • AI-based gas detection controller with microprocessor for detecting gas leakage and malfunctions.
  • 4-20mA Output, alarm and relay contact output function.
  • Setting of Zero point, Span, Calibration on the Front without volume.
  • Two alarms (1st and 2nd) and two relay (contact) output capabilities, common and individual (independent) output capabilities.
  • Korea Fire Institute of Industrial Technology National certification approval.
  • Registration of Broadcasting and Communication Equipment.
  • A gas receiver for 1-channel use that connects to gas detectors installed in the field for real-time measurement of ambient gas concentration, display of concentration levels, and issuing alarms according to pre-set danger levels.
Specification
Model No
SHT-970MU.DU
Measuring gas
LNG, LPG, Flammable GAS
Toxic GAS, Oxygen
Measuring range
0-100% (LEL) - Flammable gas
0-PPM - Toxic gas (Refer to the range for toxic gases)
0-25% (Vol) - Oxygen
Measuring display
3 Digit FND Digital display, Two-stage alarm (1st, 2nd), Customizable front alarm points and concentration range values
Input signal
4-20mA
Output signal
4-20mA, Relay contact (1.HH)
12VDC (H.HH)
(Common and individual)
Alarm sound
More than 90dB
Operating power
220/110V AC, 50/60Hz
Consumption electric power
1 channel: 704W (Alarm 9.0W)
Mounting type
Wall mounting
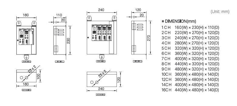
Dimension
1CH: 160(W) x 230(H) x 110(D)
3CH: 240(W) x 270(H) x 120(D)
Operating temp/humi
-20°C~+40°C / 85% RH
Weight
1CH: 3.0 Kgs
3CH: 4.6 Kgs
DIMENSION(mm)